德國巴魯夫BALLUFF光電傳感器BOH AI-R034-025-01-S49F處理

優勢一覽:
各種精度極高的傳感器頭供您選擇:MicroSpot、NanoSpot、激光、紅外線、經典的紅光LED;
模擬式、數字式、動態式放大器;
顯示屏顯示標準值和實際值;
操作便捷;
柔性極高的傳感器電纜;
技術特征值突出;
結構堅固,適合惡劣環境;
極為適合在夾具中使用;
巧妙地無縫集成在機器中
技術參數:
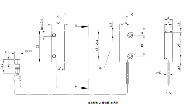
尺寸8 x 28 x 12 mm
接口用于開關放大器
功能原理光學傳感器頭
功能原理,光學對射型傳感器
光學特點光帶
輻射特性發散
光線類型紅外線型
作用范圍100 mm
接口電纜及插接器, M8x1-其它, 1 m, PUR
外殼材料PA 6
有效面,材料PMMA
許可/一致性CE
尺寸圖片:

德國巴魯夫BALLUFF光電傳感器BOH AI-R034-025-01-S49F處理