?
經銷德國BALLUFF原裝安全開關性能特點
技術參數:
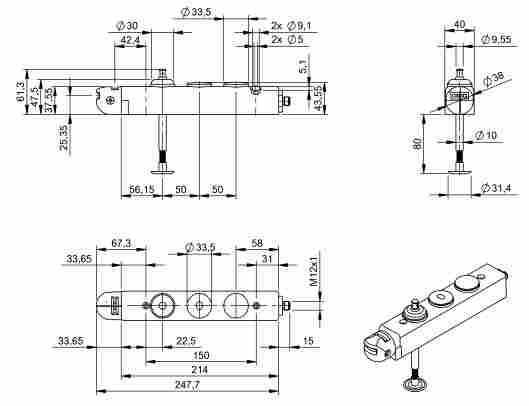
尺寸40 x 247.7 x 61.3 mm
組件結構型式2
接口M12x1-其它, 8-針
外殼材料鋁
作用原理機械 - 力,觸點
輔助解鎖裝置否
使用壽命,機械100萬次開關
開關促動力5 N
開關原理跳轉開關
閉合力FZH2500 N
起動速度20 m/min
許可/一致性TüV NRTL, TüV, CE, RoHS
防護等級IP65
環境溫度0...40 °C
測量工作電壓Ue,AC 24 V
測量工作電流Ie 0.5 A
環境溫度 0…40 °C
防護等級 IP65
產品參數:

B10d (EN ISO 13849-1) 500萬次開關
編碼級 (EN ISO 14119) gering
輔助解鎖裝置 否
逃生解鎖裝置 是
作用原理 機械 - 力,觸點
供貨范圍 1件
型號系列 BID F10…
組件 結構型式2
規格 遮蔽裝置
許可/一致性 TüV NRTL
閉合,類型/原理 是,磁力 (工作電流)
附加特性 功能顯示:LED紅色/綠色
測量工作電流Ie,AC 1 A
測量持續電流 4.0 A
測量絕緣電壓Ui 24 V DC
磁鐵工作電壓US 24 V (+10%/-15%) DC
磁鐵接通時長 100 %
磁鐵輸入功率 10 W
觸點磁鐵 (數量,類型) 2個正向驅動常閉觸點
防護等級 III
倉儲溫度 0…60 °C
接口 M12x1-其它, 8-針
短路保護 0.2 f
工作電壓LED 24 V (+10%/-15%)
應用分類 AC-15
DC -13
開關原理 跳轉開關
開關電壓 小5V DC (在10 mA時)
開關電流 5 mA
測量沖擊電壓Uimp 500 V
測量工作電壓Ue DC 24 V

經銷德國BALLUFF原裝安全開關性能特點